企业信息
企业名称
航天晨光股份有限公司
公司概况
航天晨光股份有限公司(简称“航天晨光”,股票代码“600501”)成立于1999年9月30日,于2001年6月15日在上海证券交易所上市。公司前身为中国近代民族工业的摇篮——1865年清朝洋务运动中创建的金陵机器制造局。新中国成立后,先后隶属于兵器工业部和航天工业部,现为中国航天科工集团有限公司控股的大型综合装备制造企业。
公司以核工装备产业和智能制造产业为重点发展方向,并覆盖后勤保障装备、环保设备、能源装备、工业基础件和科研生产服务等多个领域。在南京、上海、沈阳等城市建有7个工业园区,拥有4家分公司、5家合资控股子公司、2家全资子公司以及4家参股公司,建有遍布全国的营销服务网络。
公司长期以来深耕核工行业,以核废料转运、处理设备及大型成套装备制造为契机,开拓核工装备领域。以技术为牵引,以项目制管理为形式,公司形成了一支兼备核工产品开发、现场施工、具有项目管理经验的人才队伍,为用户提供成套装备以及相关的产品服务。
公司建有江苏省企业院士工作站、江苏省高档数控机床及成套装备创新中心分中心,是江苏省自动化学会智能制造专业委员会主任单位、江苏省智能制造产业联盟秘书长单位,是全国自动化标准化专家委员会、江苏省人工智能产业发展联盟、南京市工业互联网产业联盟专家委员会成员单位。近年来,公司在智能制造核心零部件、智能制造系统集成技术方面实现突破,多项核心技术与成果达到国内领先或国际先进水平。公司拥有享受国务院政府特殊津贴专家15名。
公司作为全国重要的专用汽车科研生产基地,生产的环卫车辆服务大江南北,公司拥有民航机场加油车生产许可证,是后勤特种车辆定点研制和生产企业;作为亚洲波纹膨胀节和金属软管有影响力的研究生产基地,拥有国家核安全局颁发的民用核安全设备设计、制造许可证,是美国膨胀节制造商协会(EJMA)会员单位;拥有美国《ASME》规范产品“U”、“U2”和“S”类授权证书及钢印,具有A1级、A2级和C2级压力容器设计及制造资格;作为世界著名的青铜艺术品研发生产基地,多次承担并圆满完成重大中央礼品项目,承制的艺术工程产品蜚声海内外。
公司拥有3A级信用等级,获得了全国顾客满意先进单位,全国产品和服务质量诚信示范企业,全国质量检验稳定合格产品,及“五星级售后服务认证证书”,并获得CTEAS售后服务体系完善程度认证“七星级(卓越)”证书,公司是国家高新技术企业。公司获得全国模范职工之家、全国五四红旗团委。
航天晨光依托航天技术,追求合作共赢,追求为每一位客户提供优质的产品与服务。航天晨光,无限希望。

实习基地授牌仪式





全体实习学生及与导师交流



二、实习项目及分组
项目一
项目名称:
油罐车液压零部件功能分析及油罐车部分零件三维建模
小组成员:
吕佳浩、贺雪琪、李连基
指导老师:
李继忠(高工)
项目成果:
了解了油罐车的各部分结构及作用,掌握油罐车中液压零部件的原理及功能, 学会液压系统中元器件的选型,完成了罐体各部位零件的三维建模。

项目二
项目名称:
标准件、通用件、借用件、专用件的分类及罐体内部隔板的三维建模
小组成员:
马天笑、包宇豪、文浩然
指导老师:
方俊蕾(高工)
项目成果:
了解标准件、通用件、借用件、专用件的分类,弄通了专用件-借用件-通用件-标准件它们之间是有内在联系而逐渐转化的。为将来的设计选用及生产管理打下了较好的基础。

防波板的三维建模

项目三
项目名称:
军用油罐车油罐罐体制造工艺编制及封头的三维建模
小组成员:
刘治鑫、李思衡、范予譞
指导老师:
王宇(高工)
项目成果:
了解了油罐罐体的制造工艺编制的过程,并进行了焊接机器人的实际操作。由于企业保密的需要,下面是简单的生产工序流程,实际操作也不能拍照。罐体两端封头的三维建模,此封头的独特设计,给企业工艺人员的三维建模带来了一定的困扰,多年未能解决好此问题,同学们开动脑筋,敢于创新,独辟蹊径,经过大家的努力,完美的解决了企业的实际问题。



项目四
项目名称:
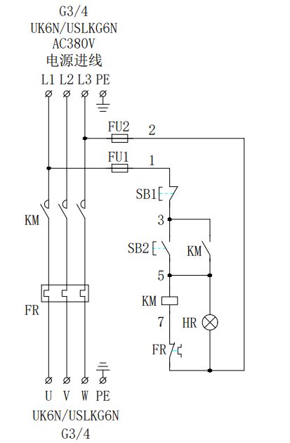
防爆电磁起动器控制系统元器件的设计选型及启动器和防爆箱的三维建模
小组成员:
孙帼一、张速恒、王昊杰
指导老师:
王士晋(高工)
项目成果:
此项目是一电气控制项目,对于机械专业学生的心理是一挑战,经过几天的学习及老师的指导,掌握了防爆电磁起动器的电路设计及元器件的选型。进行了电磁起动器及防爆箱的三维建模。


防爆电磁起动器的三维建模


防爆箱的三维建模






